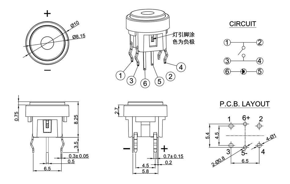
PRODUCT MODEL:TS2-2B-4RR-0N-52S

TS2-2B-4RR-0N-52S
PRODUCT SPECIFICATION:
Circuit :SPST 1P1T
Current Rating :50mA
Voltage Rating :12VDC
Dielectric withstanding voltage :250VAC for 1 minute
Contact Resistance :100mΩ Max .(intial)
Insulation Resistance :100MΩ Min,
Operating Force :180±50gf or 250±50gf
Total Travel :0.25±0.1mm
Opearating Force :200,000 Cycles Min
Soldear Specifications :260°C for 3 Seconds
Function :Momentary
Openrating Temperature :-20°C~ +70°C
Application:
The light touch switch has the advantages of small contact resistance load, accurate operating force error and diversified specifications, and has been widely used in electronic equipment and white household appliances.