PRODUCT MODEL:PB46-13A-A-WG-GN

PB46-13A-A-WG-GN
PRODUCT SPECIFICATION:
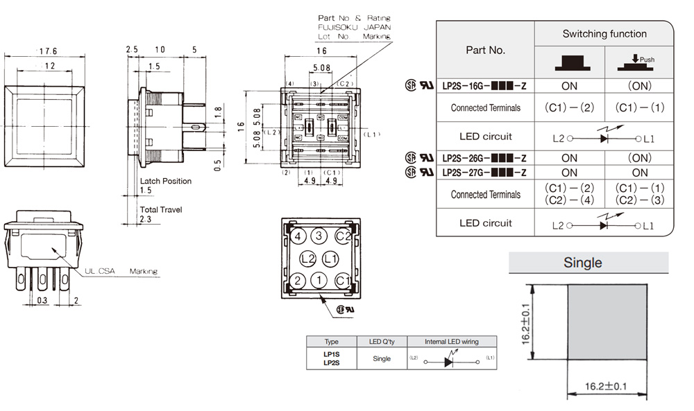
Circuit :SPDT DPDT
Rating :0.4VA 28VDC
Contact resistance :100mΩMax
Insulation resistance :DC500V 100MΩMin.
Withstand voltage :AC500Vfor 1minute; .
Operating Force :Single pole:200±100gf;
:Double pole:300±100gf;
Total Travel :2.0±0.5mm
Mechanical life :Over 20000cycles;
Electrical life :Over 30,000cycles
Manual welding :350°Cfor 3 seconds
Openrating Temperature:-25°C~+70C
Application:
Video processor 视频处理器
Security Monitoring Equipment
安防监控设备
Teaching recording and broadcasting equipment
教学录播设备
Consumer Electronics 消费类电子
Audio equipment 音响设备