PRODUCT MODEL:PB86-B2-O-RG

PB86-B2-O-RG
PRODUCT SPECIFICATION:
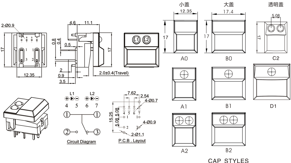
Circuit :SPDT
Current Rating :12mA
Voltage Rating :24VDC
Contact Resistance :50mΩ Max .(intial)
Insulation Resistance :100MΩ Min.
Operating Force :170±50gf
Total Travel :2.0±0.4mm.
Electrical life :200,000 cycles
Soldear Specifications :256°C for 5 Seconds
Function :Momentray
Openrating Temperature:-20°C~+ 70°C
Application:
Stage Lighting control equipment
舞台灯光控制设备
Video processor 视频处理器
Matrix Controller 矩阵控制器
Security equipment 安防设备
Cashier Equipment 收银设备