WELCOME TO HONYONE ELECTRICAL CO.,LIMITED
Hotline:(86)-769-86888706
中文版
/
English
Home
About Us
Company Profile
COPRATE CULTURE
Development
Promotional video
Factory
Products
LED TACT SWITCHES
LED PUSH BUTTON SWITCH
METAL PUSH BUTTON SWITCH
PUSH BUTTON SWITCHES
ROCKER SWITCH
FUSE HOLDER
IEC APPLIANCE INLET+FUSEHOLDER
KEY SWITCHES
ROTARY ENCODING SWITCHES
DIP SWITCH、SLIDE SWITCH
MICRO SWITCHES
TOGGLE SWITCHES
Application
NEW ENERGY VEHICLES AND ELECTRIC MOPED VEHICLES
Electronic control handle for construction machinery
ENERGY STORAGE SYSTEM AND OUTDOOR POWER SUPPLY
MEDICAL APPLICATIONS
HOUSEHOLD ELECTRICAL APPLIANCE
TEACHING RECORDING BROADCASTING SYSTEM
AOTOMATIC AND ROBOT
STAGE LIGHTING AND AUDIO
LARGE-SCREEN VIDEO CONROLLER
UAV CONTROL SYSTEM
AEROSPACE ELECTRONICS
RAIL TRANSIT
SHIP YACHT
News
Company news
Industry information
Certificate
Qualification
Patent certificate
Contact Us
Contact
Products
Products
Location:
>HOME
>
Products
>
ROTARY ENCODING SWITCHES
>
F/E 4×1SERIES
CLASSIFICATION
LED TACT SWITCHES
LED PUSH BUTTON SWITCH
METAL PUSH BUTTON SWITCH
PUSH BUTTON SWITCHES
ROCKER SWITCH
FUSE HOLDER
IEC APPLIANCE INLET+FUSEHOLDER
KEY SWITCHES
ROTARY ENCODING SWITCHES
DIP SWITCH、SLIDE SWITCH
MICRO SWITCHES
TOGGLE SWITCHES
PRODUCT MODEL:ESE-10H
ESE-10H
PRODUCT SPECIFICATION:
Application:
Mainly used in radio, radio recorder, television and various instruments.
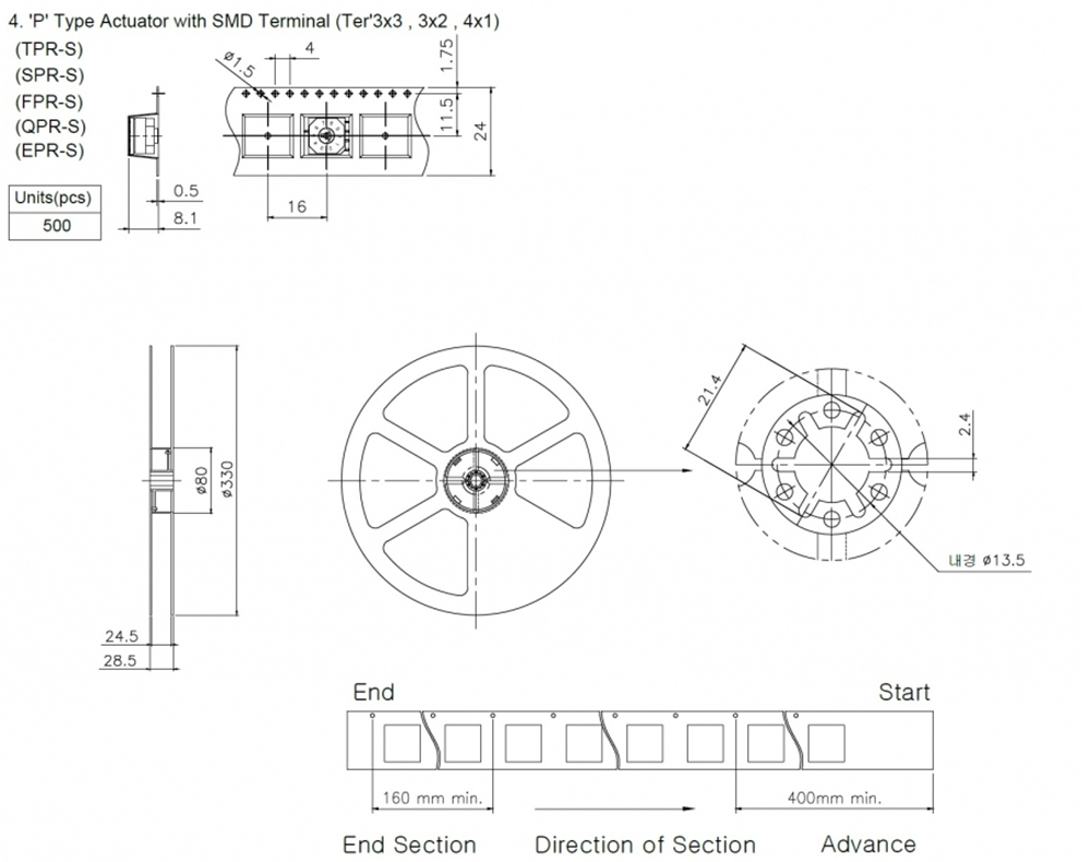
DRAWING
ORDER CODING DIAGRAM
Hotline:
(86)-769-86888706
TaoBao
Alibaba
Global Sources
WeChat
WhatsApp
MENU
HOME
ABOUT US
PRODUCTS
APPLICATION
NEWS
CERTIFICATE
CONTACT US
PRODUCTS
LED TACT SWITCHES
LED PUSH BUTTON SWITCH
METAL PUSH BUTTON SWITCH
PUSH BUTTON SWITCHES
ROCKER SWITCH
FUSE HOLDER
IEC APPLIANCE INLET+FUSEHOLDER
KEY SWITCHES
ROTARY ENCODING SWITCHES
DIP SWITCH、SLIDE SWITCH
MICRO SWITCHES
TOGGLE SWITCHES
NEWS
2024-07-03
HONYONE Invitation to Shanghai Electronics Fair in Munich, J...
2024-05-17
HONYONE new stainless steel waterproof rocker switches relea...
2024-04-02
Meet with us at AsiaWorld-Expo,Hong Kong SAR
2024-01-31
Holiday Announcement of 2024 Spring Festival
2024-01-29
HONYONE PAM 20A High current dual waterproof metal switch pr...
2023-11-24
Honyone pushbutton switches used in musical instrument equip...
LINKS:
NKK SWITCH
CANAL SWITCH
HONYONE ELECTRICAL CO.,LTD ALL RIGHTS RESERVED:
粤ICP备2024280825号
粤公网安备44190002008026
Richard
Vicky
TaoBao
Alibaba