WELCOME TO HONYONE ELECTRICAL CO.,LIMITED Hotline:(86)-769-86888706      中文版  /  English
Products
Products
CLASSIFICATION
PRODUCT MODEL:NR01103
NR01103
PRODUCT SPECIFICATION:
Logic Level:0.4VA maximum @ 28V AC/DC maximum
(Applicable Range 0.1mA~ 0.1A @ 20mV ~ 28V)
Contact Resistance:100 milliohms maximum
Insulation Resistance:100 megohms minimum @ 500V DC
Dielectric Strength:500V AC minimum for 1 minute minimum
Mechanical Life:30,000 cycles minimum
Electrical Life:10,000 cycles minimum
Nominal Operating Torque: 0.02Nm (0.177 Ib.in)
Contact Timing:Nonshorting
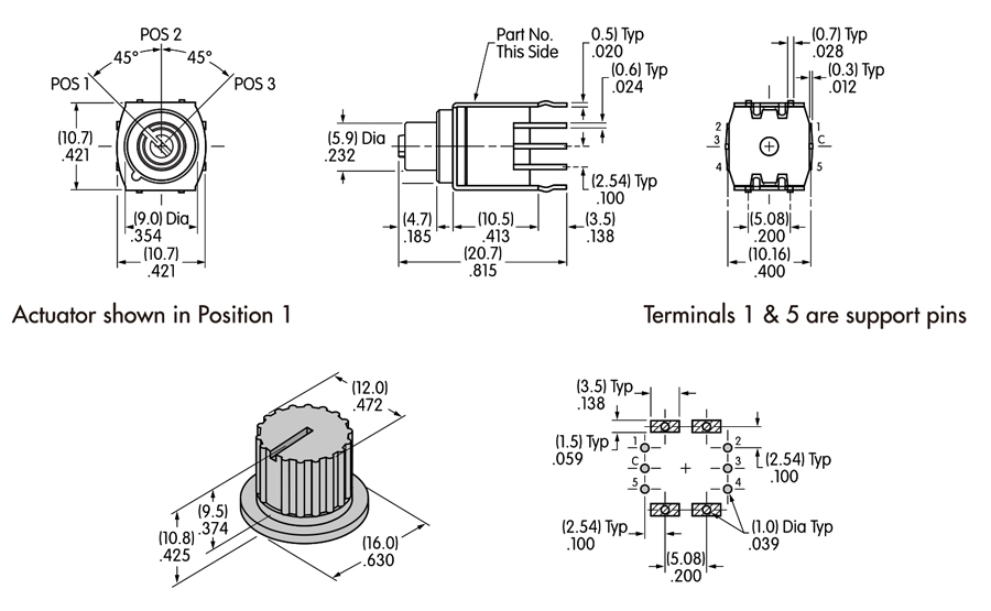
Indexing:45° for 3-position, 4-position & 5-position
Application:
FEAtuRES
• Requires Minimum Distance Behind
the Panel
• Adjustable Stop Types Provide
Prototypes Immediately
• Industrial Quality, Economically
Priced
• RoHS Compliant
DRAWING
ORDER CODING DIAGRAM
Hotline:
(86)-769-86888706
WeChat
WhatsApp
HONYONE ELECTRICAL CO.,LTD  ALL RIGHTS RESERVED: 粤ICP备2024280825号 粤公网安备44190002008026