WELCOME TO HONYONE ELECTRICAL CO.,LIMITED Hotline:(86)-769-86888706      中文版  /  English
Products
Products
CLASSIFICATION
PRODUCT MODEL:T8011-SEBQ
T8011-SEBQ
PRODUCT SPECIFICATION:
Contact Rating: 5A @125 VAC or 28 VDC (Q contact)
Electrical Life: 50,000 make and break cycles at full load
Contact Resistance: 10 mΩ max. initial @2-4 VDC,100 mA
Insulation Resistance: 1,000 MΩ min.
Dielectric Strength: 1,500 V RMS @ sea level.
Operating Temperature: -30°C to 85°C
CASE: diallyl phthalate ( DAP )
TOGGLE HANDLE: Copper alloy, chrome plated
BUSHING: Copper alloy, nickel plated
HOUSING: Stainless Steel
CONTACT & TERMINAL: copper alloy, silver plated
Application:
取暖器 heater
电风扇 Electric fan
监控摄像头 Surveillance camera
冰箱 refrigerator
空调air conditioning
转向射灯 to shoot the light
洗衣机 washing machine
饮水机等家用电器 water dispenser
其他机械设备Other mechanical equipment
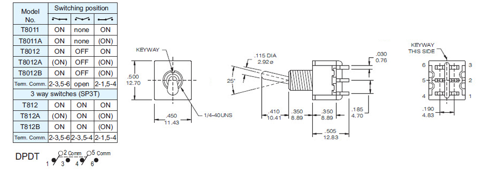
DRAWING

ORDER CODING DIAGRAM
Hotline:
(86)-769-86888706
WeChat
WhatsApp
HONYONE ELECTRICAL CO.,LTD  ALL RIGHTS RESERVED: 粤ICP备2024280825号 粤公网安备44190002008026